8688体育网(中国)有限公司
请输入网站标题
首页
关于我们
产品中心
应用领域
资料下载
新闻中心
联系我们
公司简介
企业文化
荣誉资质
制造与服务
678体育
多路阀
方向阀
流量阀
压力阀
液压站
其他
新闻动态
市场活动
取消
清空记录
历史记录
清空记录
历史记录
清空记录
历史记录
首页
关于我们
公司简介
企业文化
荣誉资质
制造与服务
产品中心
678体育
多路阀
方向阀
流量阀
压力阀
液压站
其他
应用领域
资料下载
新闻中心
新闻动态
市场活动
联系我们
当前位置:
首页
>
产品中心
>
678体育
>
4WRA10-2X-GB系列/...
678体育
多路阀
方向阀
流量阀
压力阀
液压站
其他
678体育
多路阀
方向阀
流量阀
压力阀
液压站
其他
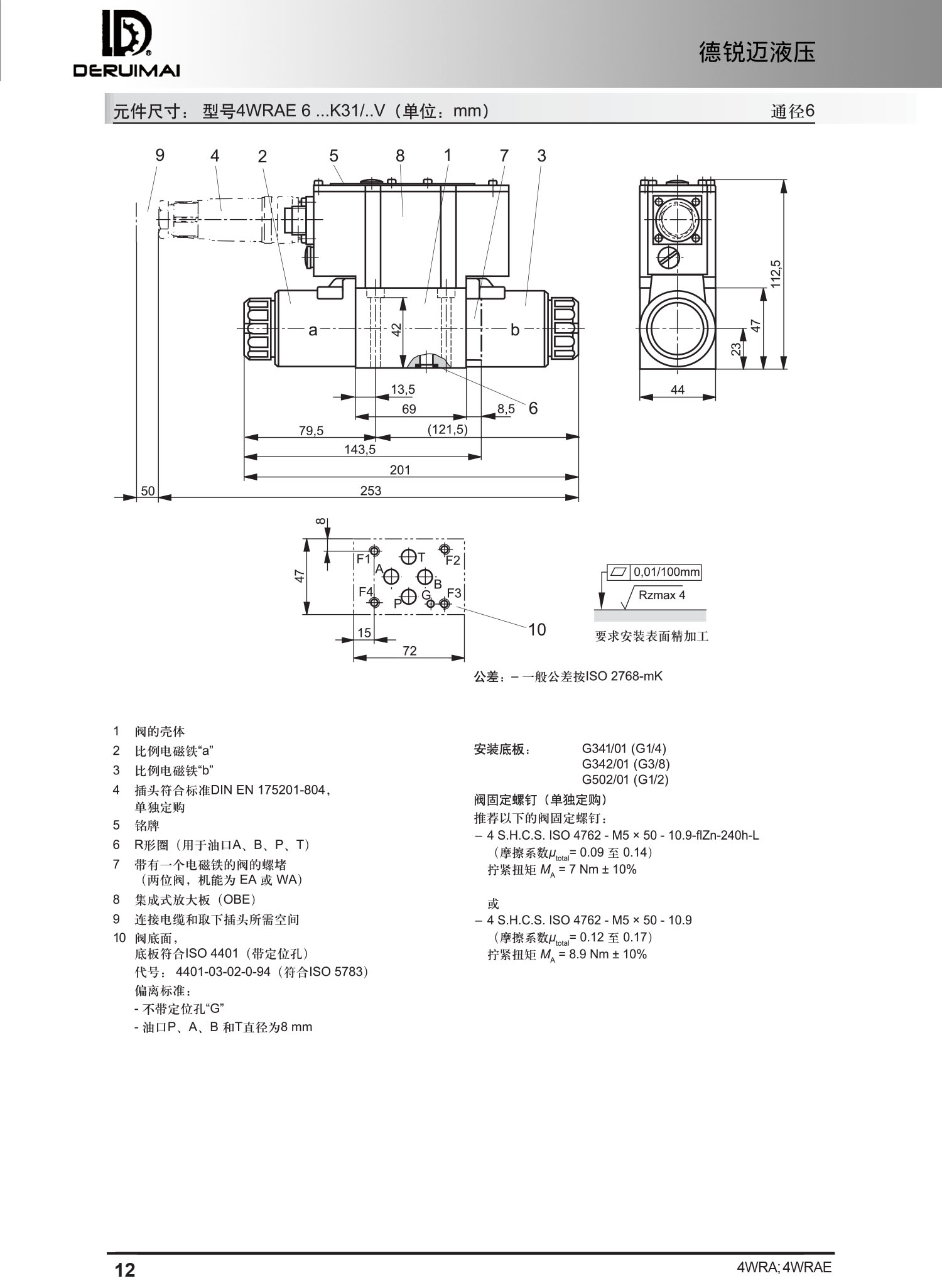
4WRA10-2X-GB系列/4WRA10-2X系列/4WRAE6-2X/4WRAE10-2X系列比例换向阀
分享
微信
分享到微信
×
微信
浏览器自带分享功能也很好用哦~
4WRA10-2X-GB系列/4WRA10-2X系列/4WRAE6-2X/4WRAE10-2X系列比例换向阀是8688体育网的主要产品之一,凭借对品质的追求与对客户的真诚服务赢得市场口碑,本页面为您介绍技术详情,欢迎查看。
0550-5617877
产品详情
4WRA10-2X-GB系列/4WRA10-2X系列/4WRAE6-2X/4WRAE10-2X系列比例换向阀
分享
微信
分享到微信
×
微信
浏览器自带分享功能也很好用哦~
4WRA10-2X-GB系列/4WRA10-2X系列/4WRAE6-2X/4WRAE10-2X系列比例换向阀是8688体育网的主要产品之一,凭借对品质的追求与对客户的真诚服务赢得市场口碑,本页面为您介绍技术详情,欢迎查看。
0550-5617877
上一个
4WRE6/4WRE10/4WREE6/4WREE10系列直动式比例换向阀
下一个
EDG-01-C系列电液比例先导溢流阀
产品详情
请使用手机微信扫描二维码
询价表单
相关推荐
Z2FS6-4X叠加式节流阀
Z2FS6叠加式节流阀
Z2FS10叠加式节流阀
DBW系列电磁先导式溢流阀
您的浏览器不支持 HTML5 video 标签
选择区号